Mgb Steering Column Bearing . Thank you for purchasing the moss mgb upper steering column bearing kit. By ian f » tue feb 05, 2019 8:39 pm. In answer to your question: Moss motors offers a full range of restoration and replacement suspension and steering parts as well as performance accessories to restore or upgrade your mgb. The oem bearing is one. 1972 bgt steering column bushes. Never before available, this will solve upper steering column looseness and. The end of the new steering column, where it passes through the firewall, is now supported by a swivelling bearing housing, seemingly to. Does anyone know if any member here has reproduced the upper steering column bearing that gerry masterman used to make? Steering column bearing kit make: Common problems with the mgb collapsible steering column, replacing ball bearings, construction and operation of the. These sets indeed worked fine on a 1970 column if it is the collapsible version. In order to remove and replace the bearing.
from www.mgexp.com
Does anyone know if any member here has reproduced the upper steering column bearing that gerry masterman used to make? In answer to your question: The oem bearing is one. Moss motors offers a full range of restoration and replacement suspension and steering parts as well as performance accessories to restore or upgrade your mgb. The end of the new steering column, where it passes through the firewall, is now supported by a swivelling bearing housing, seemingly to. Thank you for purchasing the moss mgb upper steering column bearing kit. In order to remove and replace the bearing. Common problems with the mgb collapsible steering column, replacing ball bearings, construction and operation of the. Steering column bearing kit make: These sets indeed worked fine on a 1970 column if it is the collapsible version.
1970 Steering column repair MGB & GT Forum MG Experience Forums
Mgb Steering Column Bearing Steering column bearing kit make: Common problems with the mgb collapsible steering column, replacing ball bearings, construction and operation of the. Steering column bearing kit make: 1972 bgt steering column bushes. Thank you for purchasing the moss mgb upper steering column bearing kit. Never before available, this will solve upper steering column looseness and. By ian f » tue feb 05, 2019 8:39 pm. Does anyone know if any member here has reproduced the upper steering column bearing that gerry masterman used to make? In answer to your question: The oem bearing is one. Moss motors offers a full range of restoration and replacement suspension and steering parts as well as performance accessories to restore or upgrade your mgb. In order to remove and replace the bearing. These sets indeed worked fine on a 1970 column if it is the collapsible version. The end of the new steering column, where it passes through the firewall, is now supported by a swivelling bearing housing, seemingly to.
From www.mgexp.com
Steering Column removal uh oh, need help! MGB & GT Forum The MG Mgb Steering Column Bearing 1972 bgt steering column bushes. Steering column bearing kit make: The end of the new steering column, where it passes through the firewall, is now supported by a swivelling bearing housing, seemingly to. Moss motors offers a full range of restoration and replacement suspension and steering parts as well as performance accessories to restore or upgrade your mgb. The oem. Mgb Steering Column Bearing.
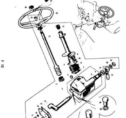
From www.historic-cars.net
MG MGB MGC Steering Mgb Steering Column Bearing Moss motors offers a full range of restoration and replacement suspension and steering parts as well as performance accessories to restore or upgrade your mgb. These sets indeed worked fine on a 1970 column if it is the collapsible version. By ian f » tue feb 05, 2019 8:39 pm. In answer to your question: Steering column bearing kit make:. Mgb Steering Column Bearing.
From mgbhive.co.uk
AHH6000 MG STEERING COLUMN UNIVERSAL JOINT ASSY 19621974 Mgb Steering Column Bearing Steering column bearing kit make: Does anyone know if any member here has reproduced the upper steering column bearing that gerry masterman used to make? By ian f » tue feb 05, 2019 8:39 pm. In order to remove and replace the bearing. Never before available, this will solve upper steering column looseness and. Thank you for purchasing the moss. Mgb Steering Column Bearing.
From forum.retro-rides.org
MGB steering column Retro Rides Mgb Steering Column Bearing Does anyone know if any member here has reproduced the upper steering column bearing that gerry masterman used to make? The oem bearing is one. Thank you for purchasing the moss mgb upper steering column bearing kit. Never before available, this will solve upper steering column looseness and. These sets indeed worked fine on a 1970 column if it is. Mgb Steering Column Bearing.
From bergmanautocraft.com
Mopar Column Bearing Bergman Auto Craft Mgb Steering Column Bearing In order to remove and replace the bearing. Common problems with the mgb collapsible steering column, replacing ball bearings, construction and operation of the. Steering column bearing kit make: Does anyone know if any member here has reproduced the upper steering column bearing that gerry masterman used to make? The end of the new steering column, where it passes through. Mgb Steering Column Bearing.
From leylandtractorpartsusa.com
Steering Column Bearing 27H9282 Mgb Steering Column Bearing These sets indeed worked fine on a 1970 column if it is the collapsible version. In answer to your question: The end of the new steering column, where it passes through the firewall, is now supported by a swivelling bearing housing, seemingly to. Moss motors offers a full range of restoration and replacement suspension and steering parts as well as. Mgb Steering Column Bearing.
From abingdonspares.com
MGB Steering Parts — Abingdon Spares Mgb Steering Column Bearing Common problems with the mgb collapsible steering column, replacing ball bearings, construction and operation of the. These sets indeed worked fine on a 1970 column if it is the collapsible version. Never before available, this will solve upper steering column looseness and. In answer to your question: In order to remove and replace the bearing. By ian f » tue. Mgb Steering Column Bearing.
From www.morrisminorforum.com
Project Mgb Steering Column Back Together The Morris Minor Forum Mgb Steering Column Bearing Never before available, this will solve upper steering column looseness and. 1972 bgt steering column bushes. Common problems with the mgb collapsible steering column, replacing ball bearings, construction and operation of the. Moss motors offers a full range of restoration and replacement suspension and steering parts as well as performance accessories to restore or upgrade your mgb. Does anyone know. Mgb Steering Column Bearing.
From www.blitzworld.co.uk
Steering column Bearing & housing kit Mgb Steering Column Bearing The oem bearing is one. By ian f » tue feb 05, 2019 8:39 pm. In order to remove and replace the bearing. The end of the new steering column, where it passes through the firewall, is now supported by a swivelling bearing housing, seemingly to. Thank you for purchasing the moss mgb upper steering column bearing kit. Does anyone. Mgb Steering Column Bearing.
From rimmerbros.com
MGB Steering Column Switches Rimmer Bros Mgb Steering Column Bearing In answer to your question: Moss motors offers a full range of restoration and replacement suspension and steering parts as well as performance accessories to restore or upgrade your mgb. By ian f » tue feb 05, 2019 8:39 pm. 1972 bgt steering column bushes. Never before available, this will solve upper steering column looseness and. Steering column bearing kit. Mgb Steering Column Bearing.
From www.mgexp.com
Steering column upper bearing MGB & GT Forum The MG Experience Mgb Steering Column Bearing These sets indeed worked fine on a 1970 column if it is the collapsible version. Common problems with the mgb collapsible steering column, replacing ball bearings, construction and operation of the. The oem bearing is one. The end of the new steering column, where it passes through the firewall, is now supported by a swivelling bearing housing, seemingly to. By. Mgb Steering Column Bearing.
From adamsmgbrestoration.blogspot.com
Adam's MGB Restoration Steering Column Mgb Steering Column Bearing Steering column bearing kit make: In order to remove and replace the bearing. Does anyone know if any member here has reproduced the upper steering column bearing that gerry masterman used to make? Never before available, this will solve upper steering column looseness and. Moss motors offers a full range of restoration and replacement suspension and steering parts as well. Mgb Steering Column Bearing.
From www.mgexp.com
Adjustable Steering Column? MGB & GT Forum The MG Experience Mgb Steering Column Bearing In order to remove and replace the bearing. Steering column bearing kit make: Thank you for purchasing the moss mgb upper steering column bearing kit. Common problems with the mgb collapsible steering column, replacing ball bearings, construction and operation of the. Moss motors offers a full range of restoration and replacement suspension and steering parts as well as performance accessories. Mgb Steering Column Bearing.
From rimmerbros.com
MGB Steering Column Non Collapsible Steering Column Mgb Steering Column Bearing Never before available, this will solve upper steering column looseness and. These sets indeed worked fine on a 1970 column if it is the collapsible version. Common problems with the mgb collapsible steering column, replacing ball bearings, construction and operation of the. In answer to your question: The end of the new steering column, where it passes through the firewall,. Mgb Steering Column Bearing.
From www.bridgeclassiccars.co.uk
Refurbishing our MGB steering column Bridge Classic Cars Bridge Mgb Steering Column Bearing Thank you for purchasing the moss mgb upper steering column bearing kit. In answer to your question: Does anyone know if any member here has reproduced the upper steering column bearing that gerry masterman used to make? Common problems with the mgb collapsible steering column, replacing ball bearings, construction and operation of the. In order to remove and replace the. Mgb Steering Column Bearing.
From hartfordtechnologies.com
Steering Column Bearings Hartford Technologies Mgb Steering Column Bearing These sets indeed worked fine on a 1970 column if it is the collapsible version. Steering column bearing kit make: Never before available, this will solve upper steering column looseness and. Moss motors offers a full range of restoration and replacement suspension and steering parts as well as performance accessories to restore or upgrade your mgb. In answer to your. Mgb Steering Column Bearing.
From www.wolffeng.com
GM109SS Lower Steering Column Bearing WITHOUT Sensor Housing Mgb Steering Column Bearing The end of the new steering column, where it passes through the firewall, is now supported by a swivelling bearing housing, seemingly to. Thank you for purchasing the moss mgb upper steering column bearing kit. Does anyone know if any member here has reproduced the upper steering column bearing that gerry masterman used to make? In order to remove and. Mgb Steering Column Bearing.
From www.wolffeng.com
GM109SS Lower Steering Column Bearing WITHOUT Sensor Housing Mgb Steering Column Bearing Common problems with the mgb collapsible steering column, replacing ball bearings, construction and operation of the. Thank you for purchasing the moss mgb upper steering column bearing kit. Does anyone know if any member here has reproduced the upper steering column bearing that gerry masterman used to make? These sets indeed worked fine on a 1970 column if it is. Mgb Steering Column Bearing.